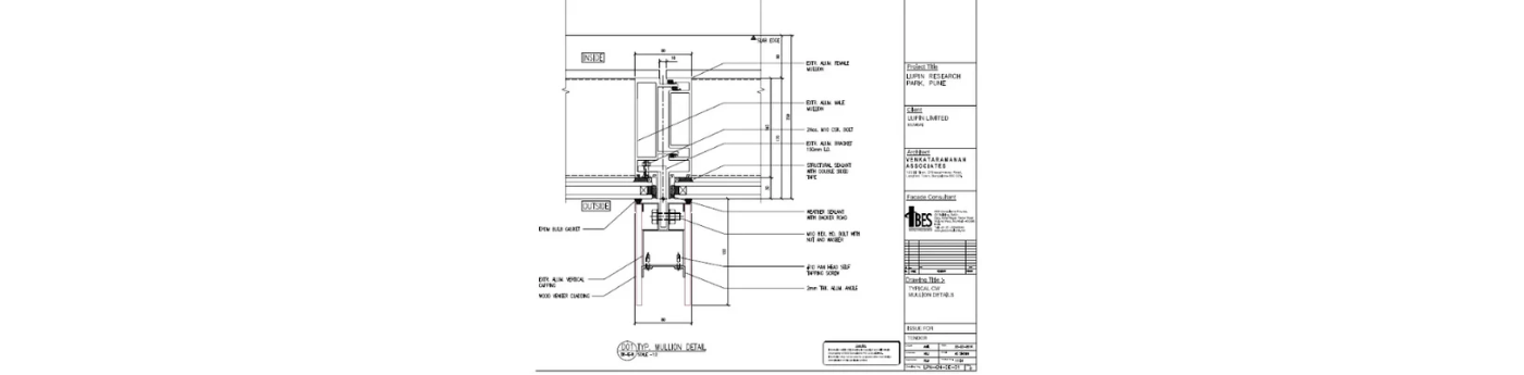
Lupin Research Park
Lupin Research Park, Pune
G+4 sty Research building for lupin-research-park, a leading pharmaceutical corporate. BES scope covering Building envelope design, building physics, thermal comfort, Materials, façade construction review and quality control.
Iconic architectural designs proposed with high quality finishes and new modern materials. BES team has used in-house expertise on materials sciences, able to finalise and help architect and client to choose right materials.
BES team deploy involved with stringent quality control at fabrications and installations., lead to Lupin-research-park facades are completed with high quality finishes. Various new materials such as SS woven meshes, HPL, Stones, Glazing were nicely integrated with good designs and detailing by BES. Double facade designers with SS mesh, glazing and gantries are well detailed and designed at pre-contruction stage by BES
Project Team
Client : Lupin Pharmaceutical
Architect : Venkataramanan Associates
Project Status : Completed ( year 2017)
Scope : Building Envelope design and Consultancy
What We Did
Facade Design & Engg.
BES Value Add:
- Large format glazing using efficient and simple structural support system
- Aesthetically appealing design focused with clean and sharp details
- Tall floor heights, call for an efficient and slimmer framing system
- Several new materials explored and proposed
- Double skin facade with simplified design and details
- Lupin-research-park, facades completed with high quality finishes







